聯系我們
廣東惠州市惠城區瀝林鎮埔心路
聯系電話:135-0229-8502
手 機:135-0229-8502
聯系人:邱先生
傳 真:0752-3866149
郵 箱:1804269946@qq.com
網 址:www.szyongchang.com.cn
聯系電話:135-0229-8502
手 機:135-0229-8502
聯系人:邱先生
傳 真:0752-3866149
郵 箱:1804269946@qq.com
網 址:www.szyongchang.com.cn
自動包銅箔機裝置的制作方法
來源: 發布時間:2018-07-06 點擊量:5271
包銅箔,usb包銅箔,包銅箔機自動USB線材生產機器,包銅箔,包銅箔機,usb包銅箔
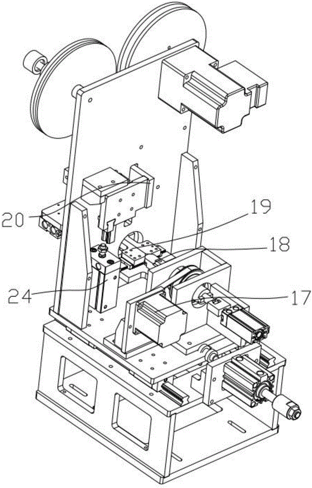
如圖1、圖2、圖3所示,本實用新型提出了一種自動包銅箔裝置,包括上料機構1、機臺2,所述機臺2上活動連接有滑動板3,所述滑動板3上連接有面板4,所述面板上設有銅箔盤5和廢料盤,所述銅箔盤上下部設有送料機構6,所述送料機構6下部設有載料機構7;所述面板4背部設有轉動機構,所述轉動機構穿過所述面板4并指向所述載料機構7,送料機構6用于將銅箔送至轉動機構處,并卷于線材上;本實用新型的工作方式是:經過翻剪編織層后的線材通過上料機構1傳送至載料機構7處,通過機臺2上設有的滑軌8,所述滑動板3卡設于所述滑軌8上,所述滑動板3上連接有推送氣缸9,所述推送氣缸9推動所述滑動板3在所述滑軌8上滑動,推送氣缸9推動整個機構靠近載料機構7,送銅箔機構先將銅箔送到位,移位氣缸將整個機構向前移動,銅箔夾板19將銅箔與線材夾持,夾持輔助氣缸將銅箔夾板19夾緊,送銅箔機構上的切刀將銅箔切斷,銅箔切斷后夾持輔助氣缸松開,此時包銅箔零件由步進電機帶旋轉兩圈,包銅箔零件松開后移位氣缸將整個機構向后移動到位整個動作就完成。其中,上料機構1的工作方式是,所述上料機構1包括基座10,所述基座10上設有傳送鏈11,所述傳送鏈11上設置有若干連接板12,所述連接板12上設置有夾爪13,所述夾爪13面向所述載料機構7,線材分別安裝于夾爪13上并輸送至載料機構7處。其中,所述載料機構7包括載料氣缸14,所述載料氣缸14上連接有兩個夾板15,線材通過兩個夾板15固定,優選的,所述轉動機構包括電機17,所述電機17輸出端連接有夾持塊18,所述夾持塊18端部設有銅箔夾板19,所述銅箔夾板19穿過所述面板4,所述銅箔夾板19穿過所述面板4并指向所述夾板15,載料氣缸14將線夾緊,送銅箔機構先將銅箔送到位,移位氣缸將整個機構向前移動,銅箔夾板19將銅箔與線材夾持,夾持輔助氣缸將銅箔夾板19夾緊,送銅箔機構上的切刀將銅箔切斷,銅箔切斷后夾持輔助氣缸松開,此時包銅箔零件由步進電機帶旋轉兩圈,包銅箔零件松開后移位氣缸將整個機構向后移動到位整個動作就完成。
為了能夠進一步固定銅箔,所述銅箔夾板下部設有輔助夾緊氣缸,所述輔助夾緊氣缸輸出端連接有夾緊塊,所述夾緊塊位于所述銅箔夾板兩側,用于夾緊所述銅箔夾板。所述送料機構6包括安裝于所述面板背部的送銅箔氣缸24,所述送銅箔氣缸24輸出端連接有頂板20,所述頂板20穿過所述面板4,所述頂板20上設有壓料氣缸21,所述壓料氣缸21輸出端穿過所述頂板20,并連接有壓板25;所述壓料氣缸21下部設有切斷氣缸22,所述切斷氣缸22輸出端連接有切刀23,所述切刀23垂直于所述頂板20所在平面,其工作方式是:銅箔通過壓板25與壓料氣缸21之間,壓料氣缸21將銅箔壓緊,同時送銅箔氣缸24向下收縮,帶動頂板20向下,由于銅箔被壓緊于頂板20上,可拉動銅箔向下出料,至銅箔夾板19處,保證能夠銅箔夾板19能夠夾住銅箔。對實施例的多種修改對本領域的專業技術人員來說將是顯而易見的,本文中所定義的一般原理可以在不脫離本實用新型的精神或范圍的情況下,在其它實施例中實現。因此,本實用新型將不會被限制于本文所示的這些實施例,而是要符合與本文所公開的原理和新穎特點相一致的最寬的范圍。
熱門標簽:包銅箔機,全自動刷剪編織包銅箔一體機,全自動刷剪編織包銅箔激光去鋁箔,全自動扭編織包銅箔一體機,包銅箔,usb包銅箔,包銅箔機自動USB線材生產機器,包銅箔,包銅箔機,usb包銅箔,線材前端處理機,包銅箔機專利技術,包銅箔機專利技術







